| |
|
|
|

|
|
| |
获得UL认证的出口产品, DC 12V 专用产品 |
| |
|
|
|
获得UL Class 2 3R等级证书 |
|
|
|
|
旋转轴上装有微型轴承和反射镜旋转更加稳定和耐用 |
|
|
|
|
采用无杂音和磨损的转动设计 |
|
|
|
|
DC12V专用产品 |
|
|
|
|
产品内设可调节反射镜旋转速度开关, 旋转次数 :120-140RPM |
|
|
|
|
|
可加装蜂鸣器. 音量 : 90dB |
|
|
|
|
材料 : 灯罩-PC, 灯座-PC, 反射镜-PC |
|
|
|
|
技术认证 : UL Class2 |
|
|
|
|
等级: 3R |
|
|
| | |
| |
| |
 |
| |
| 型号 |
电压 |
电流 |
灯泡 |
重量 |
颜色 |
RB1215D
|
DC12V |
1.170A |
12V15W |
G23 15S |
7 |
0.41Kg |
| |
| |
|
|
|
|
| |
| |
 |
| |
|
 |
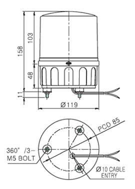
供应电源 : 电源线外装型 UL1015-NO.16(1.25sq)x2C 400mm |
|
|
|
|
DC 产品的黑线表示负极. | | |
产品简介
大型起重机械等行走设备在冶金企业中是非常重要的设备,它露天作业使用频繁、启动声音小、速度较快,容易因不被现场人员注意而发生安全事故。我厂生产的TGSG-01一体化声光报警器,是针对大型起重机械的工作特点和结构特性而开发的专用报警器,采用多种语音提示,是现场作业人员更容易分辨,进一步提高了生产的安全性。同时该产品也可以应用在其他一些需要报警的场所。
产品详细信息
产品音调
1、警笛音 2、消防音 3、工程音1 4、工程音2 5、道口音 6、汽笛音 7、防空音 8、语音提示(更多语音请咨询客服)
产品参数
额定电压:DC24V/AC36V/AC48V/AC110V/AC220V/AC380V
产品名称
|
便携式声光报警器 多功能电子蜂鸣器 多功能语音声光报警器
多功能语音铁路道口声光报警器 工控机专用声光报警器
皮带机专用声光报警器 录音声光报警器 设备生产安全报警器
天车专用声光报警器 一体化声光报警器 语音喊话声光报警器
|
产品型号
|
B系列 |
D-F系列 |
G-R系列 |
S-T系列 |
X系列 |
F-Z系列 |
|
BC-110
bc-2
BC-2II
BC-3A
BC-3B
BC-3B-Y
BC-3BF
BC-3BF-Y
BC-3C
BC-8
BC-8-Y
BC-8-5Y
bc-8A
bc-8F
bc-8Y
BC-8YD
BC-809
BF2490PA
BFXH3-B01
BJ-11
|
DBJ-1J
DBJ-1Z
DCXXS-08
dwj-5
DWJ-5L
DWJ-10
DWJ-10L
DWJ-10-Y
DWJ-2J
DWJ-2Z
DHJ-10
fmd-116
FMD-116A
fmd-116Y
FMD-116F
FMD-2004A
FMD-2004A-8Y
fmd-263
fmd-368
FA-B06
FA-B33
|
GP-11030
GP-11031
GP-11033
GP-11078T
GC-3009
GR-150/G
GY3HBFT
GDJ-2
HS-780
LTE-1101
LTE-1101J
LTE-230
LED-956
MLTX230
MLTE500
MCB-6B
PT-SC2
QSJ-3
QZBJ-3B
QTB-1
RT200VF |
SG-8
SG-L
SJ-2
SJ-2L
SJ-3
SJ-3L
SJ-4
S-JHS
S-L2
S-S
SYD24D-1/8
SOA-400A
TBD-360
TBD-3T
TBD-3T-Y
TBJ-80
TBJ-100
tbj-100c
TBJ-100Y
TBJ-150
TBJ-150C
TBM-120/T
TDX-II
TRM-12
TRM-220
|
XTD-FZ-C
XTD-GBJ-GD2
XAD-FE-C2
XAD-F186-HD
|
YH-BF
YHL-4
YA150B-A4
YM325B-A
YM325B-B
YM340A-A
YM340b-a
YMA20B-C
YS-05A
Y210B-G
Y210B-L
Y325B-B
Y325D-B
Y330X2B-JB1
Y340X2B-JB1
Y350B-A9
Y350B-A9J
Y350A-A9J
Y440A-T
Y525B-E6
Y530D-E
Y625B-B5
Y930B-E
ZPRL-100
|
声光报警器又叫声光警号, 是为了满足客户对报警响度和安装位置的特殊要求而设置。同时发出声、光二种警报信号。产品专用领域:钢铁冶金、电信铁塔、起重机械、工程机械、港口码头、交通运输、风力发电、远洋船舶等行业; 是工业报警系统中的一个配件产品。
大型起重机械等行走设备在冶金企业中是非常重要的设备,它露天作业使用频繁、启动声音小、速度较快,容易因不被现场人员注意而发生安全事故。我厂生产的一体化声光报警器,是针对大型起重机械的工作特点和结构特性而开发的专用报警器,采用多种语音提示,是现场作业人员更容易分辨,进一步提高了生产的安全性。同时该产品也可以应用在其他一些需要报警的场所。 产品应用领域: 钢铁厂、焦化厂、冶金厂、化工厂; 矿山、冶炼厂; 大型起重机械、工程车辆; 银行、政府机关、邮政、电信、酒店、大厦、工厂 商场、商铺、别墅、ATM; 周界防越系统及保安服务公司等。 产品特点: 报警音响——声音宏亮,可根据用户要求定制; 防风雨电路工艺设计——防水、防尘、质量可靠; 警示灯、警号一体化——安装简便,功能强大; 交流/直流触发即报警——操作简单,使用寿命长; |
|
| 查看评论 |
|
|
| 如果您用过本商品,或对本商品有所问题,欢迎发表自己的评论和问题。我们会及时对您提出的问题解答,对您的评论给予鼓励。谢谢对本站的支持。 |
|
|
|
1.根据您的需要产品,请选定型号;
2.与我司销售人员或技术人员确认您的产品的功能,参数.
3.根据产品名称,产品型号签订购销合同
4.汇款后将汇款底联和合同;收货人地址;开票信息;发货方式传真
直线传真:0760-88306579 分机传真:0760-88886370 88886371 88886372 88886373转807分机
上海办事处传真(FAX): 15382730581 |
| 售后服务热线:0760-0760-88886370 88886371 88886372 88886373-805 806 803分机 移动电话:15382730581 15377871867
公司直线传真:0760-88306579 公司分机传真:0760-88886370 88886371 88886372 88886373转807分机 联系电话(TEL): 15382730581 15377871867
邮政编码: 528400 公司邮箱:459382380@qq.com 客服QQ:459382380 和 568843411 |