工业自动化控制解决方案;韩国工业电器专家。
         
    
 
用户: 密码: 验证:
详细查询
防爆声光报警器,声光报警器,报警喇叭-专业的声光报警器自动化网--商品详细资料
小圆型警示灯 · 标准型警示灯
大圆形警示灯 · 太阳能信号灯
可充电信号灯 · 方型信号灯
航空障碍灯 · 多层式信号灯
移动/流线型警示灯 · 多色单层式信号灯
光字牌信号灯 · 防爆信号灯
车用警示灯 · 船用/重负荷型警示灯
选购配件 ·
声光报警器 · 报警器
电笛/警笛 · 蜂鸣器
防爆报警器 · 信号扬声器
防爆声光报警器 · 重负荷型/船用声光报警器
声光报警器系统 · 语音合成器
电力/电工仪表 · 温度控制仪表
计数器/计米器 · 转速表/线速表
计时器/定时器 · 温湿度控制器
荷重仪表 · 变送仪表
计量仪表 · 液位控制器
记录仪 · 其它
冷冻设备仪表 · 测试仪表
显示仪表 · 流量计
压力表 ·
接近传感器 · 光电传感器
旋转编码器 · 液位传感器
压力传感器 · 称重传感器
扭矩传感器 · 电量传感器
安全光幕.光栅 · 温度传感器
光纤传感器 · 传感控制器
信号转换器 · 压力变送器
温度变送器 · 温湿度传感器
液位变送器 · PH sensor
接触器 · 空气开关
断路器 · 防水密封箱
防爆箱 · 配电柜
开关电源 · 噪音滤波器
接线端子 · 保险丝座
连接电缆 · 端子模组
继电器模组 · 电缆锁头
除湿加热器 · 电动机保护器
互感器.分流器 · 变压器
保护继电器 · 制动单元.电阻
电源转换开关 ·
按钮开关 · 微动开关
行程开关 · 十字开关
天车开关 · 押扣开关
脚踏开关 · 万轮转换开关
急停开关 · 同期开关
液位开关 · 钥匙开关
主控开关 · 选择开关
指示灯/信号灯 · 安全开关
流量开关 · 压力开关
阀门定位器 · 电磁阀
计量泵 · 换向阀
减压阀 · 调压阀
控制阀 · 电动执行器
伺服电机/马达 · 伺服控制器
交流电机 · 直流电机
鼓风机 · 减速机
发电机组 ·
功率调节器 · 中间继电器
固态继电器 · 双位置继电器
继电器底座 ·
变频器 · PLC
人机界面 · 电力监测
防爆控制按钮 · 防爆开关类
离合器.制动器 · 张力控制器
工业空调 · 其它
高压电气 · 避雷器
起重机/吊车 · 油水分离器
PCB接线端子 · 联轴器
天车声光报警 ·
首页>> 其它>> 离合器.制动器>> PRB-YS3 Type系列粉末离合器、制动器 张力控制器

PRB-YS3
商品名称:PRB-YS3 Type系列粉末离合器、制动器 张力控制器
商品品牌 :PORA 订购电话 :0760-88886370 88886371 88886372 88886373 88732779
传真热线:0760-88306579 : 1分
浏览次数: 2571 剩余数量: 1000 件
本站价 :¥1.00 优惠价 :¥1.00
数量 你的价格: 1.00
会员评级 评论星级 我要评级
详细信息 优惠信息 配送信息 售后服务
 


 

本离合器和制动器的张力控制特别优异,操作简单,可与国际规格100%兼容,
  可广泛应用于工业机械领域。

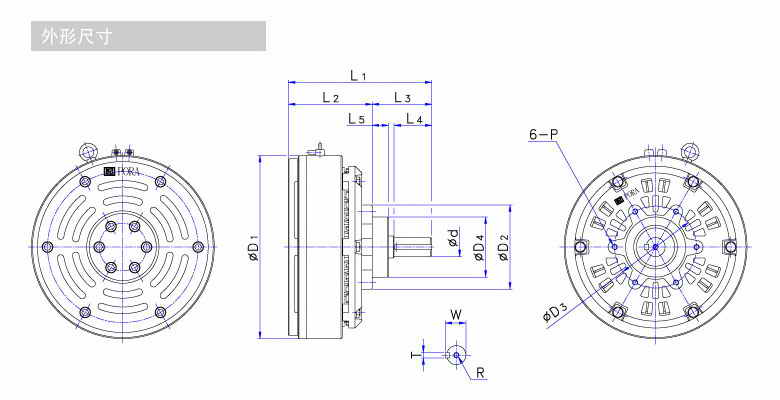
型号

L1

L2

L3

L4

L5

D1

D2

D3

D4

P

R

d

W

T

    PRB- 5 YS₃

193

102

91

55

30

219

114

100

74

M6

M8

25

7*7

28

    PRB- 10 YS₃

239

138

101

65

28

290

160

140

100

M10

M10

30

7*7

33

    PRB- 20 YS₃

278

169

109

69

30

335

174

150

110

M10

M10

35

10*8

38

    PRB- 40 YS₃

338

199

139

92

35

396

230

200

130

M12

M10

45

12*8

48

 

  规格

 

型号

扭矩

Nm

电压

DC-V

电流

A

电力

W

反应时间

sec

惯性矩

Kgm²

粉末容量

g

旋转速度

r/min

轴承规格

bearing

重量 

Kg

    PRB- 5 YS₃

50

24

2.15

51.5

0.13

9.50*10-3 

80

800

#6206

15.5

    PRB- 10 YS₃

100

24

2.4

57.6

0.25

3.50*10-2

140

500

#6207

33.0

    PRB- 20 YS₃

200

24

2.7

64.8

0.37

9.15*10-2

225

500

#6208/#6308

50.0

    PRB- 40 YS₃

400

24

3.5

84

0.4

2.41*10-1

455

500

#6210/#6310

104

特点


 
1.高精度多兼容性
    采用高精度加工,反应速度快,反应细微。 传出扭矩是可变的,可以调节到所须的扭矩使用,兼容性强。

 2.低廉的维护费用 
    粉末的成分为Fe,Al,Cr合金的球状粉末,因此耐热性、耐酸性、耐腐蚀性、耐磨性等均很出众,采用橡胶外套型轴承,
    可长时间不用补充润滑油运行,确保较长寿命。

  
 3.安全性
   与动能输入轴的RPM无关,输出轴传出的扭矩是恒定值,动力系统出现异常时,自动产生滑动(Slip),可保护设备安全。

 4.高可靠性 

    输出轴扭矩在任何条件下都可以维持恒定值,因此在无人或长期运行时也可放心使用。


 5.方便性 

    若选择宝罗公司独创性技術研制的自动张力控制装置,可达到张力控制自动化。


 6.缓冲性 

    普通的电子离合器,制动器在传出动力的瞬间传出扭矩,容易给机器造成冲击,粉末离合器和制动器可诱导滑动现象发生,
    安全传输动力,对机器没有伤害。

 

  动作原理


   
线圈通过电流时,粉末按照电磁场发出的磁力线排列成链状。
  根据此时的粉末之间连接力和粉末与运行面之间的摩擦力传出扭矩。
 

  用途

  
  
本离合器和制动器的张力控制特别优异,操作简单,可与国际规格100%兼容,可广泛应用于工业机械领域。
  例如:造纸机,纺织机,印刷机,电线机械,食品机械等各种机械的卷入或卷出等张力控制领域。
 

  冷却方式 


 1.自然冷却式   2.强制通风式   3.水冷式   4.气冷式   5.散热式  

 

  使用前的注意事项 


  
1.粉末离合器与制动器是利用粉末运行的,因此要防止水、油等杂质渗入内部。
  2.粉末离合器与制动器只能在同心状态下运行,因此不能受到外部冲击(Tir=0.15)。
  3.要注意绝缘线圈和端子部渗入水分。
  4.本公司产品的轴径与内径误差为Φ48以下是h6,Φ55以上是m6,请注意误差范围。
  5.粉末离合器、制动器轴与固定座的垂直度,应在Tir0.15范围内调整。
  6.轴与轴之间同心度的误差范围是 Tir0.15。
  7.要调好机器的平衡(因为有可能运行不良)。

 

  使用时的注意事项 


  
1.粉末离合器与制动器因粉末的磨损运行不良,请注入新的粉末。
  2.粉末离合器与制动器可能因轴承的磨损运行不良,应定期检查轴承。
  3.粉末离合器与制动器的使用环境温度保持在85度以下。
  4.引线不宜过长。
  5.粉末已使用2年以上时,应注入规定值的1.2倍才能正常运行。

查看评论
 
      如果您用过本商品,或对本商品有所问题,欢迎发表自己的评论和问题。我们会及时对您提出的问题解答,对您的评论给予鼓励。谢谢对本站的支持。
发表评论
 您的姓名:
 主题: ·尊重网上道德,遵守《全国人大常委会关于维护互联网安全的决定》及中华人民共和国其他各项有关法律法;
 评论正文:
·本站有权保留或删除您发表的任何评论内容
 
相关商品  
FBU
FBU FB FBZ系列系列刹......
优惠价:¥1.00
购买
DB0.5
DB0.5 DB1.0 DB2......
优惠价:¥1.00
购买
DB12
DB12 DB15 DB30 ......
优惠价:¥1.00
购买
DBA系列刹车盘/制动器DaeKwang大光
DBA系列刹车盘/制动器Dae......
优惠价:¥1.00
购买
更多产品>>
   常见问题
· 常见问题
   支付方式
· 在线支付
· 银行付款
   关于配送
· 本地发货
· 外地发货
   售后服务
· 保修服务
· 维修
   特别条款
· 服务保证
· 免责条款
   关于我们
· 公司简介
· 联系我们
 
客服信箱: 459382380@QQ.COM   订购热线:0760-88886370 88886371 88886372 88886373 88732779  公司地址:广东省中山市  邮编:528400 
Copyright©专业的声光报警器自动化网 
直线传真(FAX):0760-88306579    |   移动电话:15382730581 15377871867
上海办事处: 上海市浦东新区金港路333号禹州金桥国际大厦1102
联系电话(TEL): 15382730581 15377871867 自动传真(FAX): 86-15382730581 15377871867
粤ICP备09076602号