|
本离合器和制动器的张力控制特别优异,操作简单,可与国际规格100%兼容, 可广泛应用于工业机械领域。
|
|

|
|
|
|
|
|
|
|
|
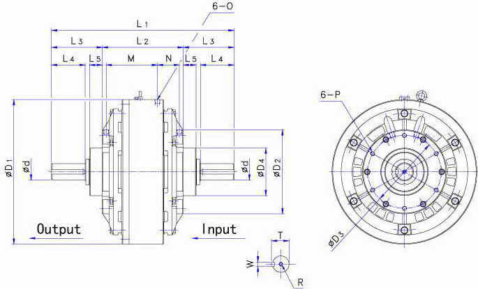
型号
|
L1 |
L2 |
L3 |
L4 |
L5 |
D1 |
D2 |
D3 |
D4 |
M |
N |
O |
P |
R |
d |
W |
T |
|
PRC- 5 W₂
|
294 |
112 |
86 |
55 |
25 |
240 |
114 |
100 |
74 |
50 |
55 |
PT1/8" |
M6 |
M8 |
25 |
7*7 |
28 |
|
PRC- 10 W₂
|
362 |
160 |
101 |
65 |
28 |
315 |
160 |
140 |
100 |
60 |
70 |
PT1/4" |
M10 |
M10 |
30 |
7*7 |
33 |
|
PRC- 20 W₂
|
408 |
190 |
109 |
69 |
30 |
365 |
174 |
150 |
110 |
75 |
85 |
PT1/4" |
M10 |
M10 |
35 |
10*8 |
38 |
|
PRC- 40 W₂
|
499 |
221 |
139 |
92 |
35 |
396 |
230 |
200 |
130 |
141 |
61 |
PT1/4" |
M12 |
M10 |
45 |
12*8 |
48 |
|
PRC- 65 W₂
|
61 |
170 |
220 |
100 |
20 |
480 |
450 |
410 |
360 |
141 |
61 |
PT1/4" |
M12 |
M12 |
60 |
15*10 |
65 | |
|
|
|
|
规格 |
|
|
|
|
型号
|
扭矩
Nm
|
电压
DC-V
|
电流
A
|
电力
W
|
反应时间
sec
|
惯性矩 (Kgm²)
|
冷却水
ℓ/min
|
粉末容量
g
|
旋转速度
r/min
|
轴承规格
bearing
|
重量
Kg |
|
输入
|
输出 |
|
PRC- 5 W₂
|
50 |
24 |
2.4 |
57.6 |
0.13 |
9.50*10-3 |
4.80*10-3 |
3 |
80 |
800 |
#6206 |
18.2 |
|
PRC- 10 W₂
|
100 |
24 |
2.7 |
64.8 |
0.25 |
3.50*10-2 |
2.50*10-2 |
6 |
140 |
500 |
#6207 |
39.7 |
|
PRC- 20 W₂
|
200 |
24 |
3.5 |
84 |
0.37 |
9.15*10-2 |
6.89*10-2 |
6 |
225 |
500 |
#6208/#6308 |
60.0 |
|
PRC- 40 W₂
|
400 |
24 |
5.2 |
124.8 |
0.4 |
2.41*10-1 |
2.41*10-1 |
6 |
450 |
500 |
#6210/#6310 |
120 |
|
PRC- 65 W₂
|
650 |
24 |
5.2 |
124.8 |
0.5 |
1.9 |
1.4 |
6 |
1000 |
500 |
#6313/#6314 |
160 | |
|
1.高精度多兼容性 采用高精度加工,反应速度快,反应细微。 传出扭矩是可变的,可以调节到所须的扭矩使用,兼容性强。
2.低廉的维护费用 粉末的成分为Fe,Al,Cr合金的球状粉末,因此耐热性、耐酸性、耐腐蚀性、耐磨性等均很出众,采用橡胶外套型轴承, 可长时间不用补充润滑油运行,确保较长寿命。 3.安全性 与动能输入轴的RPM无关,输出轴传出的扭矩是恒定值,动力系统出现异常时,自动产生滑动(Slip),可保护设备安全。
4.高可靠性
输出轴扭矩在任何条件下都可以维持恒定值,因此在无人或长期运行时也可放心使用。
5.方便性
若选择宝罗公司独创性技術研制的自动张力控制装置,可达到张力控制自动化。
6.缓冲性
普通的电子离合器,制动器在传出动力的瞬间传出扭矩,容易给机器造成冲击,粉末离合器和制动器可诱导滑动现象发生, 安全传输动力,对机器没有伤害。
|
|
|
动作原理 |
|
|
线圈通过电流时,粉末按照电磁场发出的磁力线排列成链状。 根据此时的粉末之间连接力和粉末与运行面之间的摩擦力传出扭矩。
|
|
| 用途 |
|
|
本离合器和制动器的张力控制特别优异,操作简单,可与国际规格100%兼容,可广泛应用于工业机械领域。 例如:造纸机,纺织机,印刷机,电线机械,食品机械等各种机械的卷入或卷出等张力控制领域。 |
|
|
冷却方式 |
|
|
1.自然冷却式 2.强制通风式 3.水冷式 4.气冷式 5.散热式
|
|
|
使用前的注意事项 |
|
|
1.粉末离合器与制动器是利用粉末运行的,因此要防止水、油等杂质渗入内部。 2.粉末离合器与制动器只能在同心状态下运行,因此不能受到外部冲击(Tir=0.15)。 3.要注意绝缘线圈和端子部渗入水分。 4.本公司产品的轴径与内径误差为Φ48以下是h6,Φ55以上是m6,请注意误差范围。 5.粉末离合器、制动器轴与固定座的垂直度,应在Tir0.15范围内调整。 6.轴与轴之间同心度的误差范围是 Tir0.15。 7.要调好机器的平衡(因为有可能运行不良)。
|
|
|
使用时的注意事项 |
|
|
1.粉末离合器与制动器因粉末的磨损运行不良,请注入新的粉末。 2.粉末离合器与制动器可能因轴承的磨损运行不良,应定期检查轴承。 3.粉末离合器与制动器的使用环境温度保持在85度以下。 4.引线不宜过长。 5.粉末已使用2年以上时,应注入规定值的1.2倍才能正常运行。
|
|
| 查看评论 |
|
|
| 如果您用过本商品,或对本商品有所问题,欢迎发表自己的评论和问题。我们会及时对您提出的问题解答,对您的评论给予鼓励。谢谢对本站的支持。 |
|
|
|
1.根据您的需要产品,请选定型号;
2.与我司销售人员或技术人员确认您的产品的功能,参数.
3.根据产品名称,产品型号签订购销合同
4.汇款后将汇款底联和合同;收货人地址;开票信息;发货方式传真
直线传真:0760-88306579 分机传真:0760-88886370 88886371 88886372 88886373转807分机
上海办事处传真(FAX): 15382730581 |
| 售后服务热线:0760-0760-88886370 88886371 88886372 88886373-805 806 803分机 移动电话:15382730581 15377871867
公司直线传真:0760-88306579 公司分机传真:0760-88886370 88886371 88886372 88886373转807分机 联系电话(TEL): 15382730581 15377871867
邮政编码: 528400 公司邮箱:459382380@qq.com 客服QQ:459382380 和 568843411 |